|
|
 |
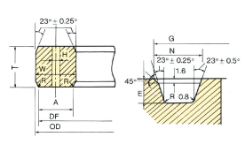
| Ring gasket |
| |
|
| |
|
| |
 |
| |
|
| |
|
| |
|
| |
 |
 |
The rings of this model are manufactured according to the JPI-7S23,
ANSI B16.20, and API 6A, which are applied in the ring-type flange as
described in the JPI-7S-15, ANSI B16.5,APISPEC6A, and MSS SP-44.
|
|
| |
|
| |
| |
 |
| |
|
| |
 |
| |
|
| |
 |
 |
The RX-type ring joint gasket is manufactured according to the
API
6A ANSI B16.20, which is applied in the 6B flange of API Spec 6A. |
|
| |
|
| |
| |
 |
| |
|
| |
 |
| |
|
| |
 |
 |
The RX-type ring joint gasket is manufactured according to the
API Spec 6A, and it is applied to 6BX flange of API Spec 6A. |
|
|
|
| |
|
|