| |
|
| |
 |
| |
|
| |
 |
| |
|
| |
 |
 |
This is a unique gasket, and designed to provide perfect sealing
against the pressure affected to the plane head. |
|
| |
|
| |
| |
 |
| |
|
| |
 |
| |
|
| |
 |
 |
Th4084 is manufactured according to specific designs that
customers require. There is no standard size for this. |
|
| |
|
| |
| |
 |
| |
|
| |
 |
| |
|
| |
 |
 |
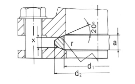
This is a voltage-fed gasket. It is used for flanges that have a
cross section on the convex lens and have 20 cones.
This gasket is completed on the circular cross section.
It is manufactured to be used for small-sized joints.
|
|
|
|